東元建材有限公司
佑享捲門
最新消息
關於我們
服務據點
產品介紹
捲門機
大門機
防火捲門機
架板
產品教學
聯絡我們
Language
繁體中文
English
最新消息
關於我們
服務據點
產品介紹
捲門機
大門機
防火捲門機
架板
產品教學
聯絡我們
Language
繁體中文
English
首頁
產品介紹
大門機
St型臥式大門機
0.5~1HP齒式大門機
0.5~1HP齒式大門機
ST-C型齒式大門機
ST-C-05/10
產品說明
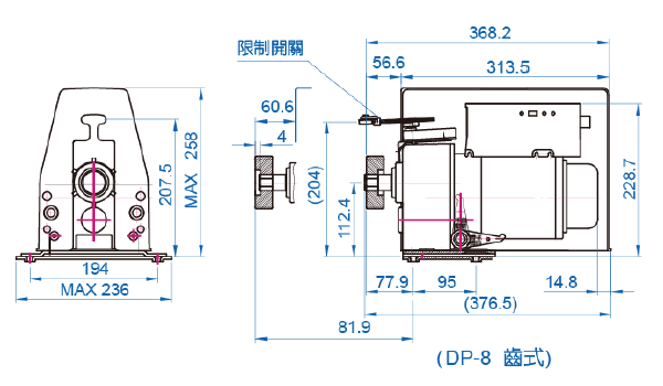
ST-C型臥式大門機尺寸圖 (單位 : mm)
ST-C型大門機生產規格一覽表
回列表