東元建材有限公司
佑享捲門
最新消息
關於我們
服務據點
產品介紹
捲門機
大門機
防火捲門機
架板
產品教學
聯絡我們
Language
繁體中文
English
最新消息
關於我們
服務據點
產品介紹
捲門機
大門機
防火捲門機
架板
產品教學
聯絡我們
Language
繁體中文
English
首頁
產品介紹
捲門機
立式捲門機
600~800KG鏈式捲門機
600~800KG鏈式捲門機
YH-A/B型 600~800KG
三腳(插心/一般)鏈式捲門機
四腳鏈式捲門機
產品說明
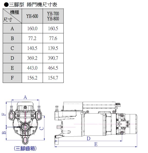
YH-A/B 600~800KG立式捲門機外觀尺寸圖 (單位:mm)
YH-A/B 600~800KG立式捲門機生產規格一覽表
回列表